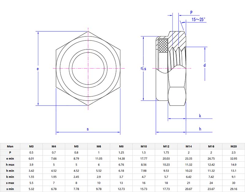
La delgada altura deTuercas delgadas hexagonales de tipo torsión predominanteencaja donde no caben tuercas voluminosas. Es fácil de instalar con herramientas básicas y, como es autoblocante, no es necesario agregar piezas como arandelas de seguridad.

EncontrarásTuercas delgadas hexagonales de tipo torsión predominanteen ensamblajes automotrices (como soportes de motor o cajas de cambios), aeroespacial (asegurando paneles livianos) y electrónica (fijación de placas de circuito o componentes pequeños). También se utilizan en robótica, dispositivos médicos y sistemas HVAC, en cualquier lugar donde el espacio sea reducido y las vibraciones amenacen las nueces normales.
EstosTuercas delgadas hexagonales de tipo torsión predominanteson delgados pero resistentes. Funcionan con llaves normales y utilizan hilos aplastados o puntas de nailon para apretar los pernos. Fabricado con acero resistente o metales inoxidables. Ideal para espacios reducidos o configuraciones en capas, ya que son muy planos. Aviso: si los desenroscas, pierden su poder de bloqueo; tíralos después de su uso.

| Mercado |
Ingresos totales (%) |
| América del norte |
16 |
| Europa Oriental |
21 |
| Sudeste Asiático |
3 |
| Medio Oriente |
5 |
| Asia oriental |
20 |
| Europa occidental |
15 |
| Centroamérica |
6 |
| Asia del Sur |
5 |
| Mercado Interno |
9 |
Tuercas delgadas hexagonales de tipo par predominanteSensores seguros en espacios reducidos, manteniéndose apretados a pesar de las vibraciones del motor. O un brazo robótico de fábrica: estas tuercas mantienen las articulaciones bloqueadas sin agregar volumen. Incluso en electrodomésticos como los microondas, sujetan piezas internas que no pueden permitirse el lujo de soltarse. Solución simple, gran impacto.