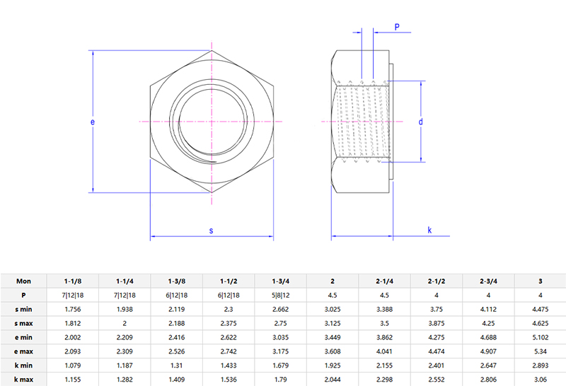
Tuerca plana hexagonal pesadaSe aplica en maquinaria, construcción o cualquier industria que requiera sujetadores fuertes y de bajo perfil. A diferencia de las tuercas hexagonales comunes, son más gruesas y pueden adherirse planas a superficies, lo que las hace muy adecuadas para espacios reducidos.

Inclusotuerca plana hexagonal pesadase desgastará. Revise la tuerca en busca de grietas, óxido o bordes redondeados. Cualquier daño significa que es necesario reemplazarlo por uno nuevo. Si la tuerca puede girar libremente en un perno limpio, indica que la rosca se ha desgastado. Las altas temperaturas y el estrés reducirán la resistencia de la tuerca con el tiempo. No mezcle tuercas de diferentes grados: Si se coloca una tuerca de grado A en un perno de grado 8, las consecuencias serán inimaginables.
Tuercas planas hexagonales pesadasJuegan un papel importante en situaciones en las que no se pueden instalar tuercas de gran tamaño. Por ejemplo, cintas transportadoras, estructuras de automóviles o equipos industriales con espacio limitado. Sus superficies planas reducen las protuberancias, reduciendo así el riesgo de engancharse o dañarse. También son muy comunes en los sistemas de tuberías. Nadie quiere que las nueces sobresalgan y atasquen los restos. Consejo profesional: utilice eltuerca plana hexagonal pesadaen combinación con la arandela plana para distribuir uniformemente la carga. Si su trabajo requiere tuercas que sean fuertes y compactas, entonces este tipo de tuerca es perfecta para usted.
Mercado
Ingresos (año anterior)
Ingresos totales (%)
América del norte
Confidencial
15
Sudamerica
Confidencial10
25
Europa Oriental
Confidencial
13
Sudeste Asiático
Confidencial
5
Medio Oriente
Confidencial
7
Asia oriental
Confidencial
13
Europa occidental
Confidencial
12
Centroamérica
Confidencial
5
Asia del Sur
Confidencial
10
Mercado Interno
Confidencial
5
Al instalar eltuerca plana hexagonal pesada, utilice una llave dinamométrica para apretarlo hasta que cumpla con las especificaciones. Un apriete excesivo puede causar desgaste del hilo, mientras que un apriete insuficiente puede provocar que el hilo se afloje. La superficie de las tuercas es plana, lo que significa que quedarán al ras. Por lo tanto, compruebe si están alineados. Si la superficie no es lisa, agregue una junta para evitar rayones. Además, no reutilice las tuercas viejas en las juntas clave. Reemplácelos por otros nuevos para evitar daños.