Estos pernos remachados ONU para placas PCB generalmente están hechos de buenas aleaciones de acero, como acero inoxidable o con bajo contenido de carbono, o aluminio. Tienen una sólida resistencia mecánica y se mantienen bien con el tiempo.
Los de acero ofrecen la mayor resistencia a la tracción y al corte. Los de aluminio, en cambio, conducen muy bien la electricidad y son ligeros.
El metal elegido para estos pernos significa que pueden soportar cargas mecánicas pesadas, estrés de los ciclos de calentamiento y enfriamiento, y permanecer fuertes durante todo el tiempo que el producto esté en uso.
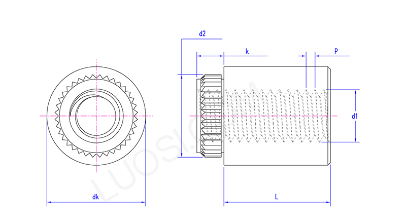
El perno remachado ONU para placa PCB es un sujetador permanente y de alta resistencia que se utiliza para proporcionar un punto de fijación roscado externo confiable en placas de circuito impreso (PCB). Aquí, "UN" normalmente representa "Estándar Nacional Uniforme", refiriéndose al tipo de rosca estandarizada que posee (como UNC o UNF), lo que garantiza su compatibilidad con varias tuercas estándar.
El proceso de instalación es rápido y eficiente. Inserte el perno en el orificio previamente perforado en la placa PCB. Luego, use una herramienta de remachado específica para deformar el extremo plano del perno, lo que hace que se expanda hacia afuera y se agarre firmemente entre la cabeza del remache y el hombro o brida del perno, formando así una conexión fuerte y resistente a las vibraciones sin necesidad de soldar.
Este método es particularmente adecuado para escenarios que requieren soportar grandes tensiones mecánicas, deben someterse a múltiples operaciones de conexión o donde el calor generado por la soldadura puede dañar componentes sensibles.
Estos pernos remachados ONU para placa PCB se colocan mediante un método de remachado o conformado en frío.
Insertas el perno a través de un orificio previamente perforado en la PCB. Luego, una herramienta de remachado especial dobla el vástago del montante contra un troquel debajo del tablero, creando un bloqueo abocinado permanente que lo mantiene en su lugar.
El método de procesamiento en frío genera menos calor y no daña el laminado ni los circuitos de la PCB. Cuando se instalan correctamente, los montantes proporcionan una fijación fuerte y resistente a las vibraciones sin comprometer la estructura de la placa de circuito.

| Mercado | Ingresos (año anterior) | Ingresos totales (%) |
| América del norte | Confidencial | 20 |
| Sudamerica | Confidencial | 4 |
| Europa Oriental | Confidencial | 24 |
| Sudeste Asiático | Confidencial | 2 |
| África | Confidencial | 2 |
| Oceanía | Confidencial | 1 |
| Medio Oriente | Confidencial | 4 |
| Asia oriental | Confidencial | 13 |
| Europa occidental | Confidencial | 18 |
| Centroamérica | Confidencial | 6 |
| Norte de Europa | Confidencial | 2 |
| Europa del Sur | Confidencial | 1 |
| Asia del Sur | Confidencial | 4 |
| Mercado Interno | Confidencial | 5 |