Hogar > Productos > Tuerca > Tuerca redonda > Tuerca redonda de bloqueo ranurado de bloqueo positivo
        Tuerca redonda de bloqueo ranurado de bloqueo positivo
        • Tuerca redonda de bloqueo ranurado de bloqueo positivoTuerca redonda de bloqueo ranurado de bloqueo positivo
        • Tuerca redonda de bloqueo ranurado de bloqueo positivoTuerca redonda de bloqueo ranurado de bloqueo positivo
        • Tuerca redonda de bloqueo ranurado de bloqueo positivoTuerca redonda de bloqueo ranurado de bloqueo positivo
        • Tuerca redonda de bloqueo ranurado de bloqueo positivoTuerca redonda de bloqueo ranurado de bloqueo positivo
        • Tuerca redonda de bloqueo ranurado de bloqueo positivoTuerca redonda de bloqueo ranurado de bloqueo positivo

        Tuerca redonda de bloqueo ranurado de bloqueo positivo

        La tuerca redonda de bloqueo ranurada con bloqueo positivo se utiliza con frecuencia en ensamblajes críticos como cojinetes de rueda, pivotes centrales y otra maquinaria de alta vibración, y los clientes de los sectores automotriz y de la construcción eligen constantemente a Xiaoguo® como su proveedor de confianza por su suministro confiable y calidad constante.

        Enviar Consulta

        Descripción del Producto

        La maquinaria industrial utiliza ampliamente estas tuercas redondas ranuradas de bloqueo positivo, especialmente en entornos de alta vibración, como cajas de engranajes, prensas y sistemas de transporte. La forma circular de estas tuercas las hace fáciles de operar y los componentes de bloqueo internos pueden evitar que se aflojen cuando hay carga dinámica.

        Nuestro método de producción rentable nos permite ofrecer precios muy favorables. Si compras más de 25.000 piezas al por mayor, podrás disfrutar de un 7% de descuento. El tratamiento estándar común con óxido negro le ayuda a resistir la corrosión. Utilizamos una red de distribución global para realizar entregas de forma rápida y económica.

        Cada tuerca redonda ranurada de bloqueo positivo se somete a estrictas pruebas de torsión hasta falla y vibración y cumple con la certificación ISO 9001.

        Detalles del producto

        Para equipos agrícolas como tractores y cosechadoras, las tuercas redondas ranuradas de bloqueo positivo son componentes esenciales. Garantizan que los pernos de piezas como ejes de transmisión y conjuntos de corte estén bien sujetos, incluso cuando estos componentes estén expuestos al polvo y la humedad. Estas tuercas están bien hechas y la mayoría tiene una capa de zinc más gruesa para una mejor protección.

        Enviamos directamente desde fábrica, por lo que nuestros precios son muy razonables. También ofrecemos promociones de temporada para pedidos superiores a 15.000 piezas. Suelen estar cromados en plata o amarillo. Por transporte terrestre, el flete es razonable y el embalaje es resistente e impermeable, perfecto para almacenamiento al aire libre.

        Preguntas frecuentes

        P: ¿Qué materiales se utilizan normalmente en la fabricación de tuercas redondas de bloqueo ranuradas?

        R:Nuestros productos de tuercas redondas ranuradas de bloqueo positivo se fabrican comúnmente con acero al carbono, acero inoxidable (304/316) o latón. La selección del material para cada tuerca redonda ranurada de bloqueo positivo depende de los requisitos de la aplicación en cuanto a resistencia, resistencia a la corrosión y condiciones ambientales. Podemos recomendar el material óptimo para sus necesidades específicas de tuercas redondas ranuradas de bloqueo positivo para garantizar rendimiento y confiabilidad a largo plazo.

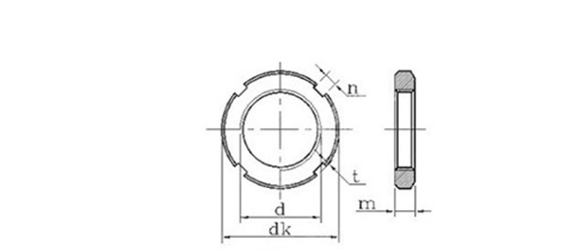
        Positively Locking Slotted Locking Round Nut




        d*P
        dk m n t 1000

        kilos

        d*P
        dk m n t 1000

        ≈ kg
        nax ninja máximo mín. máximo mín. nax mín.
        M10*1 22 8 4.3 4 2.6 2 16.82 M64*2 95 12 8.36 8 4.25 3.5 351.9
        M12*1,25 25 21.58 M65*2 95 342.4
        M14*1,5 28 26.82 M68*2 100 10.36 10 4.75 4 380.2
        M16*1,5 30 5.3 5 3.1 2.5 28.44 M72*2 105 15 518
        M18*1,5 32 31.19 M75*2 105 477.5
        M20*1,5 35 37.31 M76*2 110 562.4
        M22*1,5 38 10 54.91 M80*2 115 608.4
        M24*1,5 42 68.88 M85*2 120 640.6
        M25*1,5 42 68.88 M90*2 125 18 12.43 12 5.75 5 796.1
        M27*1,5 45 75.49 M95*2 130 834.7
        M30*1,5 48 82.11 M100*2 135 873.3
        M33*1,5 52 6.3 6 3.6 3 93.32 M105*2 140 895
        M35*1,5 52 84.99 M110*2 150 14.43 14 6.75 6 1076
        M36*1,5 55 100.3 115*2 155 22 1369
        M39*1,5 58 107.3 M120*2 160 1423
        M40*1,5 58 109.5 M125*2 165 1477
        M42*1,5 62 121.8 M130*2 170 1531
        M45*1,5 68 153.6 M140*2 180 26 1937
        M48*1,5 72 12 8.36 8 4.25 3.5 201.2 M150*2 200 16.43 16 7.9 7 2651
        M50*1,5 72 186.8 M160*3 210 2810
        M52*1,5 78 238 M170*3 220 2970
        M55*2 78 214.4 M180*3 230 30 3610
        M56*2 85 290.1 190*3 240 3794
        M60*2 90 320.3 M200*3 250 3978

        Etiquetas calientes: Tuerca redonda de bloqueo ranurado de bloqueo positivo
        Categoría relacionada
        Enviar Consulta
        Por favor, siéntase libre de dar su consulta en el siguiente formulario. Le responderemos en 24 horas.
        X
        Utilizamos cookies para ofrecerle una mejor experiencia de navegación, analizar el tráfico del sitio y personalizar el contenido. Al utilizar este sitio, acepta nuestro uso de cookies. política de privacidad
        Rechazar Aceptar