Perno de ojo liso

        Perno de ojo liso

        Los cáncamos Smooth Eye son pernos especiales con una cabeza esférica y un orificio. Su diseño esférico suave les permite acoplarse con otros ejes y girar. Los pernos se utilizan en el ensamblaje de muebles, conexiones de componentes mecánicos, etc. Los pernos de ojo liso de Xiaoguo tienen precios competitivos y las mejoras continuas de la compañía en los procesos de diseño y fabricación los han hecho populares entre los compradores.

        Enviar Consulta

        Descripción del Producto

        Costos de envío del producto

        Ya sabes, cuando envías cáncamos Smooth Eye, lo que pagas realmente se reduce a algunas cosas: qué tan pesado es tu paquete, qué tan grande es y hacia dónde se dirige. Por ejemplo, un lugar que vi cobra una tarifa fija de 10 € por pedidos de menos de 10 kilos; cualquier cosa que pese más que eso, el precio sube. La mayoría de las compañías de envío considerarán el peso real de su caja o su peso volumétrico (que es básicamente cuánto espacio ocupa) y le cobrarán según el número que resulte mayor. Entonces, si desea conocer el costo de envío real de su pedido de cáncamo, es una buena idea consultarlo directamente con su proveedor o simplemente usar la calculadora de envío en su sitio web. De esa manera obtendrás un número real, no sólo una suposición.

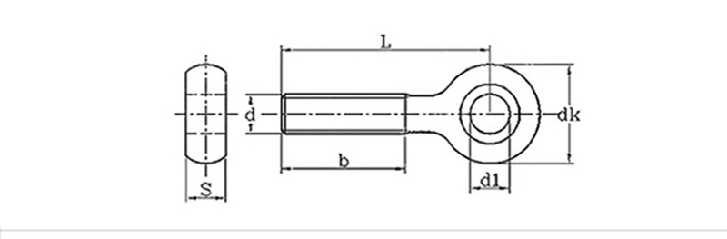
        Características de apariencia del producto.

        Entonces, cuando miras un cáncamo Smooth Eye, básicamente tienes un bucle redondo en un extremo y un extremo en forma de tornillo en el otro. Esa parte del tornillo, lo que se llama vástago, puede tener roscas hasta el final o solo hasta la mitad. Algunas versiones también vienen con un collar plano justo debajo del ojo, lo cual es realmente útil porque distribuye la fuerza de manera más uniforme si levantas algo en ángulo. Es un diseño bastante sencillo, pero eso es lo que lo hace confiable como punto sólido para enganchar cosas cuando levantas cosas pesadas o instalas aparejos.

        Smooth Eye Eye Bolt

        Sesión de preguntas y respuestas

        Pregunta: ¿De qué materiales están hechos los cáncamos Smooth Eye?

        Nuestros pernos generalmente están hechos de acero con medio carbono para uso regular. También contamos con acero inoxidable (304/316) para resistencia a la oxidación y acero aleado para trabajos de alta resistencia en ambientes difíciles.

        Smooth Eye Eye Bolt

        milímetros
        Diámetro del hilo
        d1
        dk
        s
        M6
        5 10.5 5.4
        M8
        6 13 7
        M10
        8 16 8.5
        M12
        10 19 10.5
        M14
        10 22 12


        Etiquetas calientes: Perno de ojo liso
        Categoría relacionada
        Enviar Consulta
        Por favor, siéntase libre de dar su consulta en el siguiente formulario. Le responderemos en 24 horas.
        X
        Utilizamos cookies para ofrecerle una mejor experiencia de navegación, analizar el tráfico del sitio y personalizar el contenido. Al utilizar este sitio, acepta nuestro uso de cookies. política de privacidad
        Rechazar Aceptar