Hogar > Productos > Tuercas de soldadura > Tornillo de soldadura > Tornillos de soldadura de proyección inferior
      Tornillos de soldadura de proyección inferior
      • Tornillos de soldadura de proyección inferiorTornillos de soldadura de proyección inferior
      • Tornillos de soldadura de proyección inferiorTornillos de soldadura de proyección inferior
      • Tornillos de soldadura de proyección inferiorTornillos de soldadura de proyección inferior

      Tornillos de soldadura de proyección inferior

      Los tornillos de soldadura de proyección inferior se pueden soldar firmemente sobre superficies metálicas. Tiene roscas en la parte superior y se puede utilizar para conectar piezas. Son adecuados para maquinaria pesada, estructuras de acero o equipos industriales que requieran una fijación firme y permanente. La empresa Xiaoguo® ofrece opciones prácticas.
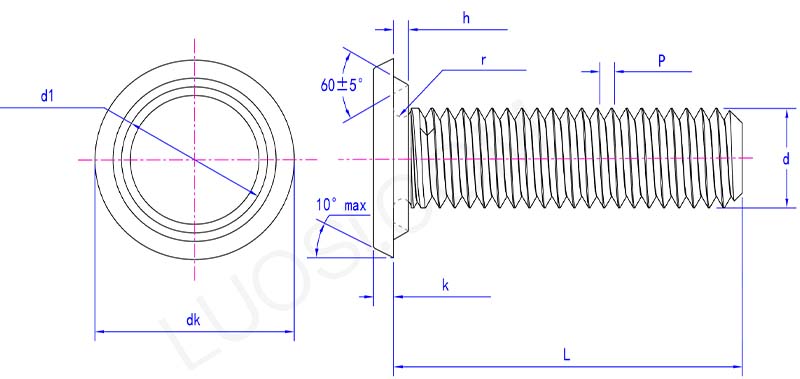
      Modelo:QC/T 598-1999

      Enviar Consulta

      Descripción del Producto

      La cabeza de los tornillos de soldadura de proyección inferior tiene forma circular y tiene pequeños puntos de soldadura. El tornillo tiene forma cilíndrica y su superficie está grabada con roscas regulares y finas. Vienen en varios tamaños para elegir.

      Aplicaciones

      El tornillo de soldadura de proyección se utiliza en la decoración de edificios. En decoración de interiores, estos pernos se utilizan para fijar puertas y ventanas, paneles decorativos, vigas de techo y otros componentes; en algunas pequeñas piezas de conexión de edificios con estructura de acero, también se pueden utilizar para conexión. Son muy convenientes.

      bottom projection weld screws parameter

      Lun
      M4 M5 M6 M8 M10 M12
      P
      0.7 0.8 1 1.25 1.5 1.75
      dk máximo
      11.5 12.5 14.5 19 21 24
      dk min
      11.23 12.23 14.23 18.67 20.67 23.67
      k máx.
      2 2.5 2.5 3.5 4 5
      k min
      1.75 2.25 2.25 3.25 3.75 4.75
      r min
      0.2 0.2 0.3 0.3 0.4 0.4
      d1 máx.
      8.75 9.75 10.75 14.25 16.25 18.75
      d1 minuto
      8.5 9.5 10.5 14 16 18.5
      h máx.
      1.25 1.25 1.25 1.45 1.45 1.65
      h min
      0.9 0.9 0.9 1.1 1.1 1.3

      Los tornillos de soldadura de proyección inferior también se utilizan en la industria de fabricación mecánica. Son aplicables al montaje general de equipos mecánicos, como la conexión de componentes en pequeñas maquinarias e instrumentos, asegurando que cada parte de la maquinaria permanezca en una posición fija durante la operación y funcione de manera estable.

      Este tornillo de soldadura de proyección se utiliza en el montaje de dispositivos electrónicos. Para las conexiones de algunas carcasas de dispositivos electrónicos y soportes internos que tienen altos requisitos de apariencia y necesitan cierta fuerza de apriete, este tipo de perno es muy adecuado. Asegura una conexión estable sin afectar la apariencia del equipo.

      Característica del producto

      Los tornillos de soldadura de proyección inferior tienen una superficie relativamente lisa después de la instalación, lo que hace menos probable que raye a personas u otros objetos. Los puntos de soldadura del cabezal se pueden utilizar para presoldarel pernoa un componente concreto, facilitando su posterior montaje. La precisión de la rosca es alta, lo que le permite acoplarse firmemente con la tuerca correspondiente, proporcionando un efecto de sujeción confiable y manteniendo un buen rendimiento de la conexión incluso después de múltiples desmontajes y remontajes.


      Etiquetas calientes: Tornillos de soldadura de proyección inferior, China, fabricante, proveedor, fábrica
      Categoría relacionada
      Enviar Consulta
      Por favor, siéntase libre de dar su consulta en el siguiente formulario. Le responderemos en 24 horas.
      X
      We use cookies to offer you a better browsing experience, analyze site traffic and personalize content. By using this site, you agree to our use of cookies. Privacy Policy
      Reject Accept