Hogar > Productos > Tuerca > Atornille la tuerca a mano > Perillas redondas con tuerca rodante de cuello
      Perillas redondas con tuerca rodante de cuello
      • Perillas redondas con tuerca rodante de cuelloPerillas redondas con tuerca rodante de cuello
      • Perillas redondas con tuerca rodante de cuelloPerillas redondas con tuerca rodante de cuello

      Perillas redondas con tuerca rodante de cuello

      Para un movimiento lineal de precisión, elija las avanzadas perillas redondas con tuerca rodante de collar de XIAO GUO. Diseñado para husillos de bolas, garantiza un movimiento suave y de alta eficiencia, lo que nos convierte en un proveedor confiable de perillas redondas con tuerca rodante de collar en China para sistemas de automatización y CNC.

      Enviar Consulta

      Descripción del Producto

      Primero, taladre un agujero en la chapa que coincida con el tamaño de las perillas redondas con la tuerca enrollable con collar. No hagas el agujero demasiado grande; de ​​lo contrario, no se bloqueará correctamente. Limpie las virutas de metal que queden en el agujero; podrían interferir con la instalación.

      Luego coloque la tuerca en el orificio previamente perforado, asegurándose de que quede plana contra la hoja. Utilice una herramienta de prensa estándar con un troquel que se ajuste a la parte superior de la tuerca. Aplique una presión constante y uniforme a la herramienta; sentirá un ligero "clic" cuando esté bloqueada en su lugar. Mantenga la presión durante 1 a 2 segundos para asegurarse de que esté segura.

      Evite el uso de golpes de martillo; esto puede doblar la tuerca o dañar la chapa. Funciona mejor en láminas de metal de delgadas a medianas (0,5-2 mm de espesor). Una vez instalado, puede atornillar un perno suavemente sin que la tuerca gire. Las perillas redondas con tuerca rodante son fáciles de usar incluso para principiantes, no se necesitan habilidades complicadas.

      Embalaje del producto

      Utilizamos envases sencillos y prácticos para mantener las nueces seguras. Para pedidos pequeños o muestras, se empaquetan en bolsas de plástico transparente, generalmente de 100 a 200 piezas por bolsa. Cada bolsa tiene una etiqueta básica con el tamaño, el material y el número de lote, para que puedas encontrar lo que necesitas fácilmente.

      Los pedidos al por mayor se envían en cajas de cartón resistentes. Dependiendo del tamaño de la nuez, cada caja tiene capacidad para entre 5.000 y 10.000 piezas. Ponemos espuma o plástico de burbujas en el interior para evitar que se rayen o se muevan durante el envío. Las cajas tienen marcas claras de manipulación, como "mantener seco" o "no apilar cosas pesadas".

      Si necesita un embalaje personalizado, como su logotipo en las bolsas o una cantidad específica por paquete, háganoslo saber al realizar el pedido. Sin elementos extra sofisticados, solo lo que funciona para el almacenamiento y el envío. Viene en estas opciones estándar, que se adaptan a las necesidades de la mayoría de talleres pequeños, grandes fábricas o usuarios de bricolaje.

      Round Knobs With Collar Rolling Nut

      Sesión de preguntas y respuestas

      ¿Qué espesor de chapa es adecuado para perillas redondas con tuerca rodante con collar?  

      R:Funciona mejor en láminas de metal de delgadas a medianas, con un rango de espesor de 0,5 mm a 2,5 mm. Un metal demasiado grueso no permitirá que se bloquee correctamente y un metal demasiado delgado puede deformarse durante la instalación. Los materiales comunes como el acero laminado en frío, el aluminio y las láminas de acero inoxidable están bien. Solo asegúrese de que el tamaño del orificio preperforado coincida con el diámetro exterior de la tuerca; podemos proporcionarle una tabla de tamaños si la necesita como referencia.  

      Round Knobs With Collar Rolling Nut

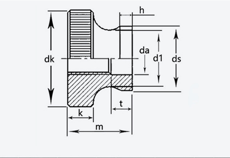
      tamaño Paso Diámetro exterior Altura k ds da d1 T h
      máximo mín. máximo mín. máximo mín. máximo mín. máximo
      M3 0,5  11  10.7  6.64  2.8  5.7  3.5  3.2  5.2  1.2 
      M4 0,7  12  11.7  7.64  7.64  4.5  4.2  6.4  2.5  1.5 
      M5 0,8  16  15.7  10  96,6  10  9.64  5.5  5.5 
      M6 20  19.7  12  11.6  12  11.6  6.56  6.2  11  2.5 
      M8 1.25  24  23.7  16  15.6  16  15.6  8.86  8.5  13 
      M10 1.5 30 29.7 20 19.5 8 20 19.5 10.9 10.5 17.2 6.5 3.8
      Etiquetas calientes: Perillas redondas con tuerca enrollable, China, fabricante, proveedor, fábrica
      Categoría relacionada
      Enviar Consulta
      Por favor, siéntase libre de dar su consulta en el siguiente formulario. Le responderemos en 24 horas.
      X
      We use cookies to offer you a better browsing experience, analyze site traffic and personalize content. By using this site, you agree to our use of cookies. Privacy Policy
      Reject Accept