Hogar > Productos > Tuerca > Atornille la tuerca a mano > Herramientas de hardware Tuerca rodante
        Herramientas de hardware Tuerca rodante
        • Herramientas de hardware Tuerca rodanteHerramientas de hardware Tuerca rodante
        • Herramientas de hardware Tuerca rodanteHerramientas de hardware Tuerca rodante

        Herramientas de hardware Tuerca rodante

        Garantizar el cumplimiento y la seguridad del sistema. El producto con certificación CE XIAO GUO Hardware Tools Rolling Nut cumple con estándares rigurosos. Nuestras tuercas están diseñadas para un funcionamiento confiable y a largo plazo en entornos industriales exigentes.

        Enviar Consulta

        Descripción del Producto

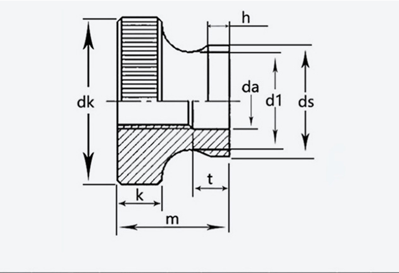
        Las especificaciones de la tuerca rodante de herramientas de hardware para herramientas de hardware incluyen principalmente el tamaño de la rosca interna y el diámetro exterior. Los tamaños de rosca varían de M2 ​​a M8, que son los más comunes para ensamblajes de chapa delgada. Los diámetros exteriores coinciden con estas roscas; las roscas más pequeñas van con diámetros más pequeños, por lo que encajan correctamente en los orificios previamente perforados. Simplemente elige según el tamaño del perno que usarás con él.

        Los grados son simples: grado estándar y grado de alta resistencia. La calidad estándar funciona para tareas habituales, como soportes de muebles o carcasas de dispositivos electrónicos. El grado de alta resistencia está hecho de un material más grueso, bueno para máquinas o piezas que necesitan soportar más fuerza sin deslizarse.

        Cada nuez tiene sus especificaciones y grado marcados en la etiqueta del empaque, por lo que es fácil elegir la correcta. Sin codificación complicada, solo números y palabras básicos. Las especificaciones y grados de Hardware Tools Rolling Nut cubren las necesidades de trabajo de chapa más comunes, sin opciones extra sofisticadas.

        Hardware Tools Rolling Nut

        control de calidad del producto

        Empezamos con los controles de la materia prima. Cada lote de metal se inspecciona en busca de grietas, abolladuras o puntos débiles. Sólo entra en producción material calificado; este es el primer paso para mantener la calidad en línea.

        Durante la producción, realizamos controles puntuales con regularidad. Primero analizamos la precisión del hilo; necesitan ajustar los pernos suavemente sin puntos apretados o flojos. También medimos el diámetro exterior y el grosor con frecuencia para asegurarnos de que coincidan con las especificaciones estándar. También se revisa el tratamiento de la superficie, asegurando que no haya revestimientos finos ni áreas faltantes que puedan causar oxidación.

        Antes del envío, muestras aleatorias de cada lote pasan por pruebas de instalación. Los presionamos contra la chapa y comprobamos si sujetan firmemente sin deslizarse. También comprobamos si hay rayones o deformidades en la superficie. Hardware Tools Rolling Nut sigue estos sencillos pero estrictos pasos para asegurarse de que funcione bien en los trabajos de montaje diarios.

        Sesión de preguntas y respuestas

        P: ¿Se oxidará fácilmente en zonas costeras húmedas?

        R: Depende del tratamiento de la superficie. Los galvanizados pueden oxidarse después de 1 a 2 años de alta humedad. Los galvanizados en caliente o los de acero inoxidable son mejores para las zonas costeras: pueden resistir la niebla salina y la humedad durante 5 a 8 años. Si sus productos se utilizan en exteriores, le sugerimos elegir una tuerca de acero inoxidable. También podemos proporcionar informes de pruebas de resistencia a la corrosión para su referencia.  

        Hardware Tools Rolling Nut


        tamaño Paso Diámetro exterior Altura k ds da d1 T h
        máximo mín. máximo mín. máximo mín. máximo mín. máximo
        M3 0,5  11  10.7  6.64  2.8  5.7  3.5  3.2  5.2  1.2 
        M4 0,7  12  11.7  7.64  7.64  4.5  4.2  6.4  2.5  1.5 
        M5 0,8  16  15.7  10  96,6  10  9.64  5.5  5.5 
        M6 20  19.7  12  11.6  12  11.6  6.56  6.2  11  2.5 
        M8 1.25  24  23.7  16  15.6  16  15.6  8.86  8.5  13 
        M10 1.5 30 29.7 20 19.5 8 20 19.5 10.9 10.5 17.2 6.5 3.8
        Etiquetas calientes: Tuerca rodante de herramientas de hardware, China, fabricante, proveedor, fábrica
        Categoría relacionada
        Enviar Consulta
        Por favor, siéntase libre de dar su consulta en el siguiente formulario. Le responderemos en 24 horas.
        X
        Utilizamos cookies para ofrecerle una mejor experiencia de navegación, analizar el tráfico del sitio y personalizar el contenido. Al utilizar este sitio, acepta nuestro uso de cookies. política de privacidad
        Rechazar Aceptar