Hogar > Productos > Tuercas de soldadura > Tuerca soldada > Tuercas cuadradas soldadas clase 5 con tipo 1D
        Tuercas cuadradas soldadas clase 5 con tipo 1D
        • Tuercas cuadradas soldadas clase 5 con tipo 1DTuercas cuadradas soldadas clase 5 con tipo 1D
        • Tuercas cuadradas soldadas clase 5 con tipo 1DTuercas cuadradas soldadas clase 5 con tipo 1D
        • Tuercas cuadradas soldadas clase 5 con tipo 1DTuercas cuadradas soldadas clase 5 con tipo 1D

        Tuercas cuadradas soldadas clase 5 con tipo 1D

        Las tuercas cuadradas soldadas de clase 5 con tipo 1D cumplen con el estándar de resistencia de quinto grado. Están diseñados en tipo 1D y son adecuados para soldar sobre superficies metálicas. Adecuado para maquinaria de intensidad media, estructuras de acero o equipos industriales. La fábrica Xiaoguo® tiene más de diez años de experiencia en la producción de sujetadores y cuenta con personal profesional para satisfacer sus necesidades.
        Modelo:JIS B1196-2-2001

        Enviar Consulta

        Descripción del Producto

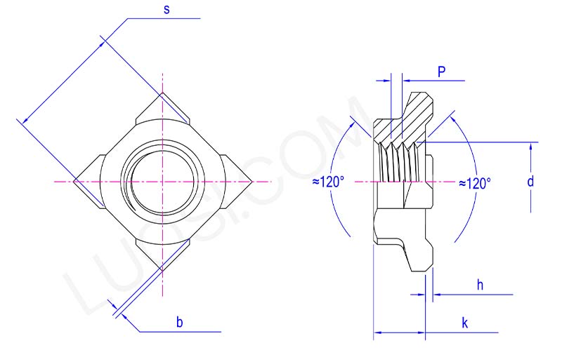
        Las tuercas cuadradas soldadas de clase 5 con tipo 1D tienen cuatro lados planos. El centro de la tuerca tiene un orificio roscado estándar, que es conveniente para usar con pernos correspondientes. En la superficie de soldadura de la tuerca, hay varias protuberancias pequeñas, que son las partes clave para la soldadura.

        Ventajas del producto

        Las tuercas cuadradas para soldar Clase 5 de tipo 1D no tienen un diseño de orificio angular. En cambio, en la parte inferior se diseña una protuberancia pequeña y elevada. Están diseñados específicamente para soldadura por puntos por resistencia. Los electrodos presionan hacia abajo y la corriente fluye a través del área elevada. El área elevada se derrite instantáneamente y fusiona la tuerca con el metal subyacente.

        Las tuercas cuadradas soldadas de clase 5 con tipo 1D son fáciles y rápidas de soldar. Alinee el equipo con los pequeños salientes de la tuerca y aplique un poco de calor. Luego, la tuerca se puede soldar rápidamente a la placa de hierro u otras piezas metálicas. En comparación con las tuercas comunes que requieren atornillarse para su instalación, este método ahorra mucho tiempo. No es probable que la tuerca gire fácilmente y su estabilidad es mucho mejor que la de la tuerca circular.

        Una de las principales ventajas de soldar tuercas cuadradas de tipo 1D con Clase 5 es la consistencia del proceso de soldadura. Dado que las protuberancias pueden controlar con precisión la posición de formación de la costura de soldadura, la máquina automática de soldadura por puntos puede lograr resultados confiables en cada ciclo. En comparación con la soldadura manual de orificios pasantes, la posibilidad de una resistencia de soldadura insuficiente debido a la desalineación de la pistola de soldar es mucho menor.

        Después de usar tuercas cuadradas para soldar Clase 5 con tipo 1D, inspeccione las pepitas de soldadura. Deberías ver un punto de fusión sólido en cada protuberancia. Debería parecer que está completamente fusionado con el material base. Si la forma de la protuberancia aún es visible, o parece carbonizada o rayada, es posible que sea necesario ajustar los ajustes de soldadura (corriente, tiempo, presión) para lograr una unión segura.

        Parámetros del producto

        Lun
        M4 M5 M6 M8 M10 M12
        P
        0.7 0.8 1 1|1.25 1,25|1,5 1,25|1,75
        s máx
        8 9 10 12 14 17
        s min
        7.64 8.64 9.64 11.57 13.57 16.57
        k máx.
        3.2 4 5 6.5 8 10
        k min
        2.9 3.7 4.7 6.14 7.64 9.57
        h máx.
        1 1 1 1 1 1.2
        h min
        0.8 0.8
        0.8
        0.8
        0.8
        1
        b máx
        0.5 0.5 0.5 1 1 1
        b min
        0.3 0.3 0.3 0.5 0.5 0.5

        parameter of Class 5 weld square nuts with type 1D

        Etiquetas calientes: Tuercas cuadradas soldadas clase 5 con tipo 1D, China, fabricante, proveedor, fábrica
        Categoría relacionada
        Enviar Consulta
        Por favor, siéntase libre de dar su consulta en el siguiente formulario. Le responderemos en 24 horas.
        X
        Utilizamos cookies para ofrecerle una mejor experiencia de navegación, analizar el tráfico del sitio y personalizar el contenido. Al utilizar este sitio, acepta nuestro uso de cookies. política de privacidad
        Rechazar Aceptar