Hogar > Productos > Tuerca > Atornille la tuerca a mano > Tuerca rodante niquelada negra
        Tuerca rodante niquelada negra
        • Tuerca rodante niquelada negraTuerca rodante niquelada negra
        • Tuerca rodante niquelada negraTuerca rodante niquelada negra

        Tuerca rodante niquelada negra

        Obtenga directamente componentes duraderos de tuerca rodante con revestimiento de níquel negro. Como fábrica líder de tuercas rodantes con revestimiento de níquel negro en China, XIAO GUO fabrica tuercas con rodamientos de bolas de recirculación para una fricción mínima, una larga vida útil y una alta capacidad de carga.

        Enviar Consulta

        Descripción del Producto

        La opción más común es la tuerca rodante niquelada negra hecha de acero al carbono. Es lo suficientemente fuerte para trabajos habituales de chapa metálica, como montaje de muebles o reparación de equipos pequeños. La mayoría de los de acero al carbono tienen un revestimiento de zinc para mantener alejado el óxido, lo que funciona bien para uso en interiores o exteriores cubiertos.

        Para ambientes húmedos o uso en exteriores, el acero inoxidable es una mejor opción. Resiste la humedad y la corrosión, incluso en zonas ligeramente saladas cerca de la costa. También tenemos versiones de aluminio para necesidades livianas, utilizadas principalmente en electrónica, donde las piezas pesadas pueden afectar el rendimiento del dispositivo.

        Todos los materiales cumplen con los estándares básicos de la industria, sin tratamientos adicionales innecesarios. Elija acero al carbono para las tareas diarias, acero inoxidable para lugares húmedos y aluminio para trabajos livianos. Las opciones de materiales de Black Nickel Plating Rolling Nut cubren las necesidades de ensamblaje más comunes, sin complementos sofisticados, solo opciones prácticas.


        Tratamiento superficial del producto

        El galvanizado es la opción más común. Es un proceso básico que ayuda a prevenir la oxidación, bueno para uso en interiores o lugares exteriores cubiertos. No agrega espesor adicional, por lo que no afectará la forma en que la tuerca encaja en el orificio de la chapa durante la instalación. La mayoría de los frutos secos de uso diario vienen con este tratamiento.

        Para una mejor resistencia a la corrosión, existe la galvanización en caliente. Es más grueso que el zincado normal, por lo que aguanta más en zonas húmedas o lugares con poca humedad, como talleres cerca de la costa. Para las tuercas de acero inoxidable, aplicamos un tratamiento de pasivación: simplemente aumenta su capacidad natural a prueba de óxido sin cambiar su apariencia.

        Aquí no hay revestimientos sofisticados, solo prácticos. Elija galvanizado para necesidades estándar, galvanizado en caliente para ambientes húmedos y pasivación para modelos de acero inoxidable. Los tratamientos de superficie de Black Nickel Plating Rolling Nut tienen que ver con la protección básica y se adaptan a los escenarios de ensamblaje de chapa metálica más comunes.

        Black Nickel Plating Rolling Nut

        Sesión de preguntas y respuestas

        P: ¿Puedo instalarlo sin herramientas profesionales?

        R:No, necesita una herramienta de prensa básica o una remachadora pequeña. No se recomienda martillar manualmente; dañará las roscas de la tuerca o la aflojará. Para lotes pequeños, funciona una herramienta de prensado manual. Para pedidos grandes, una prensa automática es más eficiente. También podemos recomendar modelos de herramientas que se ajusten a nuestros productos si aún no tiene el adecuado.  

        Black Nickel Plating Rolling Nut



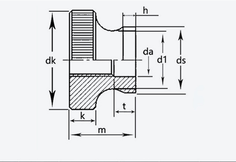
        tamaño Paso Diámetro exterior Altura k ds da d1 T h
        máximo mín. máximo mín. máximo mín. máximo mín. máximo
        M3 0,5  11  10.7  6.64  2.8  5.7  3.5  3.2  5.2  1.2 
        M4 0,7  12  11.7  7.64  7.64  4.5  4.2  6.4  2.5  1.5 
        M5 0,8  16  15.7  10  96,6  10  9.64  5.5  5.5 
        M6 20  19.7  12  11.6  12  11.6  6.56  6.2  11  2.5 
        M8 1.25  24  23.7  16  15.6  16  15.6  8.86  8.5  13 
        M10 1.5 30 29.7 20 19.5 8 20 19.5 10.9 10.5 17.2 6.5 3.8
        Etiquetas calientes: Tuerca rodante niquelada negra, China, fabricante, proveedor, fábrica
        Categoría relacionada
        Enviar Consulta
        Por favor, siéntase libre de dar su consulta en el siguiente formulario. Le responderemos en 24 horas.
        X
        Utilizamos cookies para ofrecerle una mejor experiencia de navegación, analizar el tráfico del sitio y personalizar el contenido. Al utilizar este sitio, acepta nuestro uso de cookies. política de privacidad
        Rechazar Aceptar