Hogar > Productos > Tuerca > Otros frutos secos > Nueces de bloqueo automático de dos taches
        Nueces de bloqueo automático de dos taches

        Nueces de bloqueo automático de dos taches

        Las tuercas de auto-bloqueo XiaoGuo® Dos anclaje de Lug es una nueces fabricada en conformidad estricta con el estándar aeroespacial de EE. UU. A 373-1991, que se utiliza para su fijación permanente en un entorno vibratorio. Las nueces de bloqueo automático se utiliza dos anclajes en escenarios como pieles de aviones y colgadores de motor.
        Modelo:AN 373-1991

        Enviar Consulta

        Descripción del Producto



        Autocloqueo de fricción: tuercas de bloqueo de autosuficiencia Dos tornillos tiene un anillo de nylon incrustado en el hilo interno (resistente a la temperatura-55 ℃ ~ 120 ℃), que genera un 20% de torque adicional al morder el perno, y el nivel antigüense alcanza el NASM 55570 Clase 3;

        Limitador de doble oreja: las Lugs dobles cooperan con la ranura de la paleta para limitar la rotación de las tuercas de bloqueo de dos anclajes, evitando el fenómeno de "falso auto-bloqueo" de las tuercas de una sola oreja tradicionales.



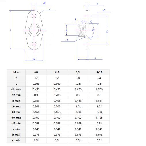
        Detalles y parámetros del producto


        Las tuercas de bloqueo auto -bloqueo de dos anclajes con recubrimiento de aislamiento, para la batería de litio.

        La orina de las tuercas de auto-bloqueo dos anclaje de orina coincide con la muesca de la placa de soporte con una precisión de ± 0.1 mm, que soporta la instalación ciega de las manos en áreas ciegas como el interior del ala.




        Self-locking nuts one lug

        Self-locking nuts one lug


        Distribución del mercado

        Mercado
        Ingresos (año anterior)
        Ingresos totales (%)
        América del norte
        Confidencial
        21
        Sudamerica
        Confidencial 3
        Europa Oriental
        Confidencial
        20
        Sudeste de Asia
        Confidencial
        3
        Oceanía
        Confidencial
        2
        Medio Oriente
        Confidencial
        5
        Asia oriental
        Confidencial
        15
        Europa occidental
        Confidencial
        13
        América Central
        Confidencial
        5
        Europa del Norte
        Confidencial
        2
        Sur de Europa
        Confidencial
        1
        Asia del sur
        Confidencial
        5

        Mercado interno

        Confidencial
        5


        Industria para la cual el producto es aplicable


        Equipo militar: conexión del compartimento de misiles, mecanismo de plegamiento de ala de drones, nueces de bloqueo auto-bloqueo Dos anclajes de LUG cumple con los requisitos anti-Loosening de GJB 1217A-2017.

        Aeroespacial: Conexión de la piel del fuselaje de aeronaves (más de 2,000 piezas por C919), fijación de la tubería de propulsores de cohetes;

        Transporte ferroviario: anclaje de pernos de bogie de riel de alta velocidad, bisagra de la puerta del metro autogoleado, para hacer frente a la vibración de alta frecuencia de 30 Hz;

        Nuevos vehículos de energía: caja de la caja de la batería de litio;



        Etiquetas calientes: Nueces de bloqueo automático Two Lug Anchor, China, fabricante, proveedor, fábrica
        Categoría relacionada
        Enviar Consulta
        Por favor, siéntase libre de dar su consulta en el siguiente formulario. Le responderemos en 24 horas.
        X
        Utilizamos cookies para ofrecerle una mejor experiencia de navegación, analizar el tráfico del sitio y personalizar el contenido. Al utilizar este sitio, acepta nuestro uso de cookies. política de privacidad
        Rechazar Aceptar