Las características naturales de los clips de remaches expansibles de plástico los hacen adecuados para usos especiales y específicos. Como no conduce electricidad, es muy importante en cajas eléctricas y áreas de alto voltaje. No produce chispas, lo cual es muy necesario en lugares donde podrían ocurrir explosiones (zonas ATEX).
Tampoco puede prescindir de él en salas de resonancia magnética y en aparatos electrónicos sensibles, lugares donde ni siquiera los campos magnéticos pequeños de clavijas metálicas están permitidos.

Un buen clip de remache expansible de plástico pasa por pruebas estrictas para garantizar que funcione de manera consistente. Estas pruebas verifican aspectos como la precisión del tamaño, cuánto tirón puede soportar, qué tan bien maneja los golpes y si funciona con diferentes químicos.
Los pasadores de chaveta de plástico de Xiaoguo® se fabrican según los estándares de la industria utilizando materiales que cumplen con los requisitos específicos, lo que garantiza el rendimiento. Mantienen los objetos en su lugar de forma segura y segura para el propósito previsto. En comparación con las chavetas de metal, las de plástico son más resistentes a la corrosión y al óxido.

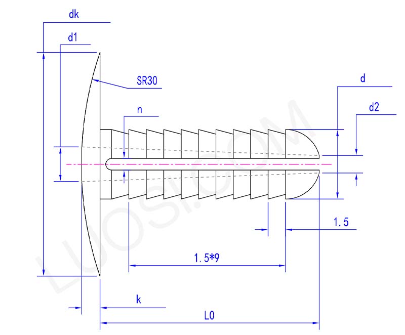
Lun
F6
F8
Φ10
re máx.
6
8
10
administrador
5.8
7.8
9.8
dk máximo
16.2
16.2
18.2
dk min
15.8
15.8
17.8
k máx.
1.6
1.6
2.1
k min
1.4
1.4
1.9
L0
20
20
22
d1
3
4
5
d2
1.5
2
3
n
1
1
1.5
Nuestros clips de remaches expansibles de plástico estándar están fabricados con materiales que cumplen con las principales normativas internacionales, incluidas RoHS y REACH. También ofrecemos versiones certificadas por la FDA para aplicaciones en contacto con alimentos. Los certificados de cumplimiento están disponibles previa solicitud.
Nuestros materiales se seleccionan cuidadosamente de acuerdo con estándares globales durante la producción, lo que garantiza el cumplimiento de los estándares de calidad relevantes y garantiza una exportación segura y un uso generalizado en todo el mundo.