Tuerca de bloqueo de inserto de nylon NTEes un sujetador auto-bloqueo con un collar de nylon en los hilos internos. Cuando se atornilla sobre el perno, el nylon bloquea las roscas y no es probable que la tuerca se afloje fácilmente cuando hay vibración o movimiento.

ElTuerca de bloqueo de inserto de nylon NTEestá hecho de materiales como acero chapado en zinc o acero inoxidable, está diseñado para maquinaria, vehículos o equipos donde importa la confiabilidad. A diferencia de las nueces regulares, laTuerca de bloqueo de inserto de nylon NTENo requiere arandelas o adhesivos de bloqueo adicionales: se bloquea por sí solo. Es simple de instalar, reutilizable (dentro de los límites) y funciona tanto en configuraciones industriales como en reparaciones diarias.
Usar elTuerca de bloqueo de inserto de nylon NTEPara asegurar piezas que se agitan o se muevan. Ejemplos: fijación de los pies de la motocicleta de fijación, manteniendo los rodillos de la cinta transportadora en su lugar o ensamblar sillas de oficina con piezas ajustables. También es útil para equipos al aire libre, como remolques de jardín o bastidores de bicicletas, donde los baches y el clima pueden aflojar las nueces estándar. En los talleres de inicio, es ideal para arreglar tablas tambaleantes o asegurar componentes de herramientas eléctricas que vibran durante el uso.
Verás elTuerca de bloqueo de inserto de nylon NTEen fabricación de automóviles (monturas de motor, piezas de suspensión), sistemas HVAC (que aseguran cuchillas de ventilador o conductos) y bienes de consumo como lavadoras o bicicletas de ejercicio. También es común en la maquinaria agrícola, las bicicletas y el ensamblaje electrónica, cualquier lugar donde las vibraciones o ajustes frecuentes puedan aflojar las tuercas regulares.

| Mercado |
Ingresos totales (%) |
| América del norte |
14 |
| Sudamerica |
10 |
| Europa Oriental |
16 |
| Sudeste de Asia |
10 |
| Medio Oriente |
7 |
| Asia oriental |
17 |
| Europa occidental |
12 |
| Asia del sur |
6 |
| Mercado interno |
8 |
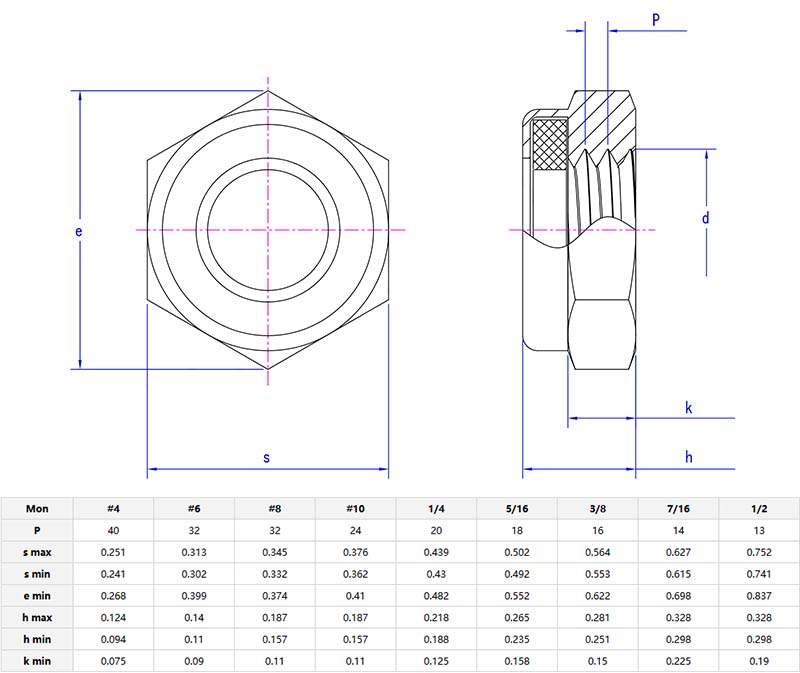
XiaoGuo® puede personalizarNylon nylon insertar tuercas de bloqueoa tuperno. La forma hexagonal deltuercaSe adapta a una llave estándar, y el nylon en el interior es resistente al desgaste. Podemos proporcionar muestras, y puede probar si las muestras gratuitas satisfacen sus necesidades antes de realizar un pedido grande.