Hogar > Productos > Alfiler > Pasador redondo > Pasadores de horquilla de alta resistencia
        Pasadores de horquilla de alta resistencia
        • Pasadores de horquilla de alta resistenciaPasadores de horquilla de alta resistencia
        • Pasadores de horquilla de alta resistenciaPasadores de horquilla de alta resistencia

        Pasadores de horquilla de alta resistencia

        Este pasador de horquilla de alta resistencia se puede desmontar y reinstalar varias veces, lo que lo hace ventajoso para su reutilización. Puede solicitar con confianza pasadores de horquilla de alta resistencia a Xiaoguo y recibirá una excelente experiencia con calidad garantizada.

        Enviar Consulta

        Descripción del Producto

        Si es necesario, podemos proporcionar un certificado de inspección para estos pasadores de horquilla de alta resistencia. El certificado enumera los resultados clave de las pruebas: de qué está hecho el material, sus propiedades mecánicas como resistencia y dureza, y confirma que todas las dimensiones críticas son correctas. También indica qué estándares, como ISO 2341, cumple el producto.

        Cada certificado es para un lote de producción específico y tiene un número único para poder rastrearlo. Es un registro que muestra que los pasadores pasaron las comprobaciones estándar desde el material hasta el producto terminado. Obtener un certificado con sus pasadores de horquilla de alta resistencia es una opción útil para trabajos que requieren trámites formales, ya sea para uso industrial diario o aplicaciones más exigentes.

        High Tensile Clevis Pins

        Usos del producto

        Este tipo de pasador se usa comúnmente para conectar componentes en máquinas que requieren rotación o pivote. En diversos equipos industriales, se utiliza a menudo para conectar soportes, varillas o palancas. En automóviles y camiones, se utiliza para componentes de suspensión, varillajes de freno, dispositivos de dirección, etc.

        Los equipos agrícolas, como los tractores, los arados y las cosechadoras, también lo utilizan. En el sector aeroespacial, podría utilizarse para determinadas piezas móviles de sistemas de aeronaves. También se encuentra en los barcos, en los aparejos y en algunas piezas del motor, porque permanece bien fijado en su lugar.

        Básicamente, los pasadores de horquilla de alta resistencia son útiles dondequiera que necesite una conexión sólida que quizás también necesite desmontar más adelante y que pueda soportar sacudidas y uso regular.

        Sesión de preguntas y respuestas

        P: ¿Cuál es el embalaje estándar de sus pasadores partidos de alta resistencia?

        Respuesta: Normalmente utilizamos cajas de cartón resistentes para empaquetar pasadores de alta resistencia, y el método de embalaje generalmente se divide por tamaño y cantidad (por ejemplo, 100 piezas por caja).

        Para pedidos al por mayor, empaquetaremos pasadores de alta resistencia en la caja principal y los colocaremos en una plataforma para garantizar un transporte seguro y un manejo sencillo.

        High Tensile Clevis Pins


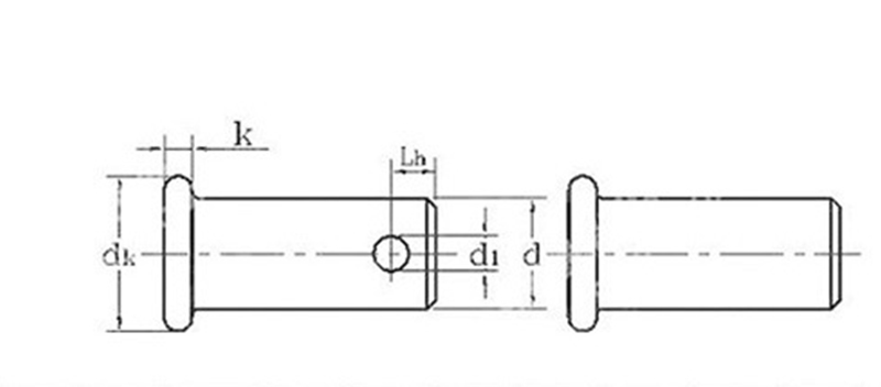
        unidad: mm
        d máximo 3 4 5 6 8 10 12 14 16 18 20
        mín. 2.94 3.925 4.925 5.925 7.91 9.91 11.89 13.89 15.89 17.89 19.87
        dk máximo 5 6 8 10 12 14 16 18 20 22 25
        mín. 4.7 5.7 7.64 9.64 11.57 13.57 15.57 17.57 19.48 21.48 24.48
        k nominal 1.5 2 2.5 3 3.5 4
        máximo 1.625 2.125 2.625 3.125 3.65 4.15
        mín. 1.375 1.875 2.375 2.875 3.35 3.85
        d1 mín. 1.6 2 3.2 4 5 5
        máximo 1.74 2.14 3.38 4.18 5.18 5.18
        Lh mín. 1.6 2.2 2.9 3.2 3.5 4.5 5.5 6 6 7 8




        Etiquetas calientes: Pasadores de horquilla de alta resistencia, China, fabricante, proveedor, fábrica
        Categoría relacionada
        Enviar Consulta
        Por favor, siéntase libre de dar su consulta en el siguiente formulario. Le responderemos en 24 horas.
        X
        Utilizamos cookies para ofrecerle una mejor experiencia de navegación, analizar el tráfico del sitio y personalizar el contenido. Al utilizar este sitio, acepta nuestro uso de cookies. política de privacidad
        Rechazar Aceptar